FABRICATION D'UNE ARMOIRE SELON LA NORME SYSTEME 32
Les gabarits Assistent permettent d'utiliser les avantages du système 32 dans la réalisation d'un meuble sur mesure sans les contraintes de hauteur et de largeur qu'impose la norme système 32
Les explications ci-dessous sont données à titre d'information sur les règles du système 32.
La fabrication d'une armoire ou d'un caisson, selon la norme système 32, impose des règles strictes à respecter pour la hauteur et la largeur de l'armoire.
X et Y doivent être des multiples de 32 mm (voir fig. ci-dessous)
B = est la distance entre le chant supérieur ou inférieur et l’axe du premier trou.
Cette distance correspond à l'épaisseur du panneau qu'on divise par 2.
Pour une épaisseur de panneau de 19 mm divisé par 2 => B = 9.5 mm

Formule de calcul pour la hauteur et la largeur du meuble.
Calcul du montant de meuble :
Hauteur = X + (2 X B)
Largeur = Y + (2 X 37 mm)
Exemple :
- Hauteur souhaitée environ 2000 mm
- Profondeur souhaitée environ 600 mm
- Epaisseurs des panneaux = 19 mm
- Ferrures d’assemblage VB ou Rastex
En se basant sur le tableau de correspondance ci-dessous :
- Pour la cote X choisir 1984 dans le tableau de correspondance. La hauteur de meuble est donc de 1984 + (2 x 9,5) = 2003 mm.
- Pour la cote Y (600 - 2 x 37) choisir 512 mm dans le tableau de correspondance.
La profondeur de meuble est donc de 512 + (2 x 37) = 586 mm.

L'assemblage avec les ferrures Type VB36:
On utilise les ferrures Type VB36 soit pour l’assemblage du caisson (armoire) soit pour la mise en place d’étagères de renfort.
L’avantage :
Possibilité d’installer une étagère même si votre caisson ou armoire est déjà monté.
Ne nécessite pas un espace supplémentaire pour le montage de l'étagère.
Démontage facile et rapide.



L’assemblage du caisson avec Goujons et excentrique Type Rastex (Boitier Minifix)
C'est l'assemblage le plus utilisé par les fabricants de cuisine et d'ameublement.
L'avantage:
Permet un assemblage rapide mais nécessite un espace minimum de 2 x la taille des goujons utilisé surtout dans les endroits exiguës
Démontage facile et rapide.


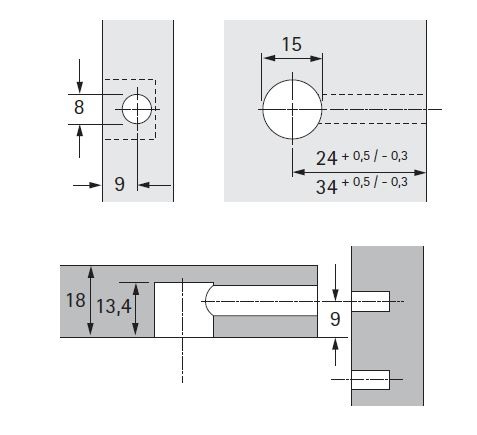
Assemblage Rastex (Boitier excentrique Minifix) pour panneau de 18 mm
Pour les panneaux de 18 mm d'épaisseur, vous pouvez utiliser des goujons de 20.3 mm avec un fraisage à 24 mm.
Ou des goujons de 30.3 pour un fraisage à 34 mm.

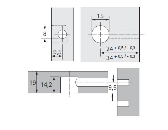
Assemblage Rastex (Boitier excentrique Minifix) pour panneau de 19 mm
Pour les panneaux de 19 mm d'épaisseur, vous pouvez utiliser des goujons de 20.3 mm avec un fraisage à 24 mm.
Ou des goujons de 30.3 pour un fraisage à 34 mm.

L'installation des charnières
A = distance du chant supérieur de porte au centre du boîtier de charnière
B = distance du chant supérieur de montant au centre de la cheville
F = retrait ou saillie de porte
X = multiple de 32 mm

Formule de calcul de la distance de charnière :
A = B + X - 16
9,5 + 96 - 16 = 89,5 mm
Ajouter ou Retirer un retrait (saillie) de porte F souhaité, en principe pour les portes de caisson de cuisines on laisse 1 mm de jeu en haut et 1 mm de jeu en bas.
Installation de charnières standard système 32 type A - B pour un recouvrement totale du caisson par la porte.
L'embase se trouve par rapport au chant à 37 mm
Le fraisage du pivot diamètre 35 est à 22 mm du chant

Installation de charnières standard système 32 type C pour une porte à l'intérieur du caisson.
L'embase se trouve par rapport au chant à 37 mm + l'épaisseur de la porte.
Pour une porte d'épaisseur E = 19 mm => 37 + 19 = 56 mm
Le fraisage du pivot diamètre 35 est à 22 mm du chant

Source de certaine images: Hettich - Blum – Hafele - Assistent